седельный тягач
|
Цена договорная
Вы можете забрать седельный тягач:
|
Технические характеристики седельного тягача МАЗ-6425Х9-450-051
| Колёсная формула | 6x6 |
| Нагрузка на ССУ, кг | 18000 |
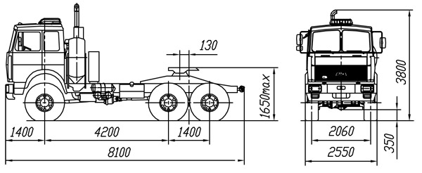
| Высота ССУ, мм | 1650 |
| Полная масса седельного тягача, кг | 30000 |
| Полная масса автопоезда, кг | 65000 |
| Модель двигателя | ЯМЗ-6585 |
| Мощность двигателя, л.с. | 420 |
| Max скорость, км/ч | 90 |
Гарантия
Гарантийный срок: 12 мес.
Гарантийный пробег: 30 000 км
Межсервисные интервалы
- ТО-0: не более: 2 000 км
- ТО-1: 4 000 ± 500 км
- ТО-2: 16 000 ± 1 000 км
Автомобиль-седельный тягач МАЗ-6425Х9-450-051 с колесной формулой 6х6 ( полный привод, три ведущих моста с МОБ и МКБ на заднюю тележку ) на односкатной ошиновке предназначен для перевозки различных грузов в составе автопоезда в тяжелых дорожных и суровых климатических условиях. Отличительной особенностью автомобилей МАЗ является: надёжность, комфортабельные условия работы для водителя, низкие эксплуатационные расходы, быстрая окупаемость, современный дизайн, большой выбор моделей и комплектаций, применение узлов и агрегатов мировых производителей автомобильных компонентов таких, как ZF, Mercedes, Cummins, Shaanxi Fast Gear, ЯМЗ, ММЗ и т.д:
- Кабина 6422 большая, 2-х местная с двумя спальными местами ( кабина со спальником ), неподрессоренная, с разрезным лобовым стеклом, сиденье водителя подрессоренное на пневматической подвеске, рулевая колонка регулируется в двух плоскостях, серийный передний бампер под прямоугольные фары;
- Двигатель дизельный 8-цилиндровый ЯМЗ-6585 ( производитель Ярославский моторный завод ), с V-образным расположением цилиндров, 4-тактный, с жидкостной системой охлаждения, турбонаддувом и охлаждением надувочного воздуха в теплообменнике типа «воздух-воздух», , мощность 420 л.с, максимальный крутящий момент Нм (кгс)-1766 (180), Евро-4 ( возможно переоборудование в Евро-2 ), рабочий объём двигателя составляет 14,85 литра, на двигателе установлена система подачи топлива Common Rail (производства GRS Bosch) c максимальным давлением впрыска 1600 бар и система рециркуляции охлаждённых отработавших газов (EGR) с каталитическим нейтрализатором, для нормальной эксплуатации данного двигателя установлен следующий регламент периодичности замены масла и фильтров ( ТО-0 в районе 2000 км, ТО-1 в районе 10000 км, ТО-2 в районе 20000 км и последующие ТО с интервалом в 15000 км), контрольный расход топлива на 100 км составляет 38 литра при скорсти 60 км/ч и 43 литра при скорсти 80 км/ч, заявленный ресурс двигателя до капитального ремонта составляет 800 000 км;
Семейство тяжелых V-образных дизельных двигателей ЯМЗ в 8-цилиндровом исполнении, с рабочим объемом 14,85 л и диапазоном мощности 180-420 л.с., выполняет требования по экологии до 4 экологического класса ( Правила ООН №49-05С (В1), №96-02).
V- образные двигатели ЯМЗ отличает надежность, значительный ресурс до 1 млн. км, высокая степень унификации базовых моделей и модификаций, широкие возможности применяемости в составе различной техники от автомобилей и автобусов до тракторов, бульдозеров, комбайнов, экскаваторов, речных судов, дизель-генераторных станций.
Двигатели имеют высокую ремонтопригодность в полном объеме обеспечены запасными частями во всех регионах эксплуатации, что делает их востребованными многими потребителями.
- Коробка переключения передач Fast Gear Fuller 12JS200TA ( число передач 12 вперёд / 1 назад ), разработана корпорацией Eaton (CША) и выпускается по лицензии заводом Shaanxi Fast Gear (КНР). Отличительной особенностью коробок передач Shaanxi Fast Gear является высокая надёжность в сочетании с относительно невысокой стоимостью. Относиться к серии коробок передач с двойным промежуточным валом;
Преимущества КПП 12JS200TA:
- Универсальный дизайн корбки передач, позволяющий интегрировать её на большинство известных грузовых автомобилей;
- Возможность использовать КПП 12JS200TA c большой нагрузкой;
- Оборудована коробкой отбора мощности ( КОМ );
- Высокая надёжность компонетов коробки;
- Удобство технического обслуживания КПП, ремонта, замены запчастей на 12JS200TA;
- Высота ССУ над уровнем дороги 1650 мм, нагрузка на ССУ-18 т, ССУ под шкворень размерности 3,5 дюйма;
- Технически допустимая общая масса автомобиля 30000 кг, технически допустимая общая масса автопоезда 65000 кг, полная масса автомобиля в снаряженном состоянии 11900 кг;
- Передаточное число мостов 7,79;
- Раздаточная коробка: односкоростная с передаточным числом 1,107;
- Максимальная скорость с электронным ограничителем 68 км/ч;
- Сцепление: однодисковое с гидроприводом с пневматическим усилением;
- Распределение технически допустимой общей массы: на передний мост 7180 кг, на заднюю тележку 22820 кг;
- Передняя подвеска: рессорная многолистовая со стабилизатором;
- Задняя подвеска: рессорно-балансирная многолистовая со стабилизатором поперечной устойчивости;
- База автомобиля: 4200 мм + 1400 мм;
- Размер шин 16,00R20 (Бел-95);
- Тип ошиновки: односкатная;
- Тип колес: дисковые;
- Тормозная система: пневматическая двухконтурная, с разделением на контуры по осям; с АБС, тормозные механизмы всех колес барабанного типа;
- Рулевое управление: со встроенным рулевым усилителем;
- Два топливных бака 350 + 200 л, топливный фильтр ф.Racor с подогревом;
- В базе устанавливается предпусковой подогреватель двигателя ф.Элтра;
- Заднее буксирное устройство: крюк-петля;
Базовая комплектация автомобиля:
- Серийный передний бампер под прямоугольные фары;
- Панорамное разделенное лобовое стекло;
- Спидометр;
- Фонари автопоезда;
- ССУ под шкворень размерности 3,5 дюйма;
- Противооткатные упоры;
- Подголовники сидений;
- Ремни безопасности;
- Ограничение скорости;
- Электронное управление двигателем;
- Независимый жидкостный подогреватель двигателя;
- Обивка ворсовая ткань;
- Запасное колесо;
- Огнетушитель.
Дополнительные опции которые можно заказать на заводе:
- Циклон очистки воздуха;
- Крылья (брызговики) колес;
- Независимый воздушный отопитель кабины;
- Магнитола;
- Противотумнные фары ;
- Климатическая установка;
- Тахограф;
- Дополнительная шумоизоляция;
- Пневмоподвеска сидения паассажира;
- Подлокотники сидений;
- Шины СНГ или импортные;
- Плафон спального места;
- Пневмосигнал;
- Светоотражающая маркировка;
- Шумоизоляционные экраны базовые;
- Комплект съемников;
- АБС фирмы Wabco или БПО «Экран»;
- Комплект ЗИП стандартный или полнокомплектный.
Рекомендуемые полуприцепы к применению:
1) Полуприцеп МАЗ-975800-2054 ( 3-х осный, односкатный, г/п-43,6 т, внутренние размеры 13520х2480х660 мм, с защитным передним бортом и раздвижными кониками );
2) Полуприцеп МАЗ-938660-2054 (2-х осный, односкатный, г/п-17,5 т, внутренние размеры 12288х2480х660 мм, с защитным передним бортом и раздвижными кониками ).
Возможны различные дополнительные доработки автомобиля

#28
Двигатель ЯМЗ-6585

Технические характеристики двигателя ЯМЗ-6585
| Тип | Дизельный, 8-и цилиндровый, V-образный |
| Мощность, л.с. | 420 |
| Крутящий момент, Нм (1100–1500 мин-1) | 1766 |
| Рабочий объем, л | 14,85 |
| Масса заправленного двигателя, кг | 1600 |
| Число клапанов на один цилиндр | 2 впускных и 2 выпускных |
| Ресурс до капитального ремонта | 13 000 часов или 800 000 км пробега |
| Гарантийный ресурс, км | 100 000 |
Коробка передач
12JS200TA
Кабина
6422 большая
Подвеска
Рессорно-балансирная 22,82т
Шины 16.00 R20

Характеристики шин 16.00 R20
| Обозначение шины | 16.00R20 |
| Тип рисунка | Повышенная проходимость |
| Обод рекомендуемый | 11.25х20 |
| Обод допускаемый | 10.00х20 (TL) |
| Наружный диаметр (мм) | 1343 |
| Ширина профиля (мм) | 438 |
| Индекс несущей способности | 172(171) |
| Максимальная нагрузка (кг) | 6250 (6000) |
| Индекс скорости | F (G) |
| Максимальная скорость | 80 (90) |
| Давление в шине (кПа) | 780 |
| Глубина рисунка протектора шины (мм) | 25 |
Опционное дооборудование автомобилей МАЗ
более 80 возможных улучшений и доработок под Ваши потребности
Цена договорная |
Цена договорная |
Цена договорная |

